![]() ![]() |








二)自动翻面随身听,价格20元左右。打开随身听的后盖将4颗导线(两颗信号线,两颗电源线)接出,在电源线的正极接C9014的发射极或者集电极,在C9014基极接一颗红导线,电源负极用黑导线,音频线的地线用白导线,信号线用黄的。还可在电源两线之间加接一个1000uF/6.5v的电容器,降低噪音。注意,有些随身听的音频线的地线与电源正极相通,此时随身听的自带扬声器或耳机有电流通过,供其末级功放供电,如果取掉随身听的扬声器,则必须在音频线的两线之间接一个相当于扬声器的电阻(8欧),否则,末级功放无电,则无信号输出。
三)此处介绍两种功放,TEA2025,TDA2005M。简要介绍TDA2003,LA4440。为方便仿制,电路图直接画在集成块上,集成块的脚命名方法是:有字面朝上,脚朝向自己,从左到右为1,2,3,4……
⑴TEA2025,2元一块,电路图如图三。电源用6节1号干电池,为市场上25瓦喊话器的功放集成块。此处组成BTL电路,负载4欧时输出功率达到8瓦,适合在长途车等封闭环境使用。操作时,可将电阻电容直接焊在集成块上,然后在集成块背面涂上导热硅脂。固定在一小块铝片上,导热用。可与TEA2025直接替换的有LA4182、4183;SL4182;TDA4190、4550等。
⑵TDA2005M,5.7元一块,电路图如图四。TDA2005有两种型号TDA2005S和TDA2005M,前者适合于双声道功放,后者适合于组成BTL电路,二者参数不同。TDA2005M负载8欧,电源用10对一号干电池串联成15V时,输出功率可达20—21瓦。
附3,TDA7381A是一种高保真优选功放,电路图如图五。负载8欧时不失真输出功达到100瓦(25瓦×4ch),外围元件少,可用4个扬声器四方广播,电源用电池串联或电瓶,可用4节一号电池并联再串联成15V,如果能购买到TDA7381建议使用。TDA2003,3元一块,如图六。LA4440,10元一块,如图七。前者在10对一号干电池串联成15V时负载8欧时,输出功率达18瓦,后者则可达21瓦,此处介绍的都是BTL电路,而且性能较佳。
五)自制广播喇叭,如图八。
⑴选材:40W~60W,80w~100W的音箱喇叭,其磁铁大小相当于15瓦~25瓦广播喇叭的磁铁。价格在10元左右,旧的亦可,此处只用其磁铁部分。先购买一个音箱喇叭取其音圈,根据音圈大小去购买广播高音音圈(2元一个)。市场上有20瓦的音圈相当;适量的塑料板;万能胶101或者502等(502不能粘纸板),制作如下。 注:A、C硬纸板要选择相当结实的纸板。
⑵先按照音圈大小剪好A、C圆圈(其内径比音圈波纹外径达2-3mm),然后将A板用胶水粘在磁铁上,(一定要粘结实),A板的内外圆与磁铁圆心重合(同心圆)。
⑶将音圈放在纸板上试一试,在音圈导线下方的铁板上涂上绝缘胶(可用白乳胶代替),防止音圈工作时导线与铁板接触短路。胶干以后再将音圈放上,用手按住音圈膜左右移动,使音圈的导线组(音膜下方的圆筒)刚好落在音圈缝里。压住音圈,接入随身听的音频线,听有无摩擦声。放平稳后用胶水粘在A板上。
⑷找一个厚塑料瓶(洗涤灵等),剪下瓶顶穹隆部,(如图八所示),剪口的地方剪几条缝(缝的长度等于纸圈A的宽度),如图八所示压平,剪口压平后内外径与纸圈一样,
用万能胶将B纸圈粘在剪口的下部;将此集合体粘在音圈上。这样发音部分即完成。用万能胶在外面涂上一层,保证结实。
⑸将做好的圆锥筒E插入瓶口,粘实,再将F罩在E上,别与E相碰,再将F的3个脚粘或焊在塑料外壳G上,再将G粘在磁铁上。将音圈的导线从G底部接出来。喇叭即做成。
⑹注意,E、F、G的角度相继越大,G越大,扬声器传播距离和覆盖面越大。粘结过程一定要粘结实。这样做出的高音喇叭与市场上购买的相当,而且,价格在15元左右,省去喇叭的大笔费用。
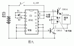
六)定时器:如图九。用CD4541定时(网上已有介绍),用途广泛,价格低效果好。其定时成立条件为:
R2=2R1,计算公式T(s)=2.3nR1(欧)Cx(法),为方便计算化简如下:定R1为150k,Cx为变量。图九中A、B取负,n=4096,T(min)=23.55×Cx;A、B取正时,n=32768,T(hour)=3.14×Cx;A取正、B取负,n=128,T(min)=0.74×Cx;A取负、B取正,n=512,T(min)=2.94×Cx 。原理:CD4541是计数定时器,设定Cx后,电源接通开始计数,到设定时间后,从8脚输出脉冲信号,使C9013导通,继电器与随身听开始工作,继电器导通使功放通电,喇叭工作。注意:此处定时电路与随声听采用同一电源供电,因此用一个C9014接入,起降压作用,即中间脚与D相通,发射极连随声听正极,K为控制开关。第8脚不宜用C9014,其过流不如C9013大,随身听工作时电流在0.2-0.6A之间。悬挂条幅时,自己将D、C连接,电源用8节7号电池串联,在C9013体部拴上尼龙绳,到时C9013烧断尼龙绳,条幅脱落。C9013还可以点燃引线,使爆竹炸开箱子散发传单,吸引注意。
七)高压线悬挂喇叭或条幅的方法:




附1:做真相条幅直接取用四向内挂钩即可,销子改为弧形,(如条幅挂钩图)挂钩可以大大缩小,用穿线钢丝即可。为了不易取下,在一些高原地区的两山头之间往往有极高的高压线,若线下有公路,村庄,集市,可以在高压线的电桩处悬挂。此时的挂钩要改进,只用三向内挂钩,如图10,在每一个挂钩的顶部置一滑轮,从而将条幅滑向高压线的最低处,定时展开巨型条幅,定时只需3-4元。(前面已有介绍)。还可以在条幅中间裹上传单或小册子,这样展开同时可以使观众了解真相,但要考虑会否下雨或掉入水中。为了吸引群众,还可以定时放鞭炮,空中鞭炮响,引线末端系在固定条幅的小绳上,引线烧断小绳,条幅落下来,满天撒传单。在人多地方,效果较佳。
注意,在操作加工过程中要多实验,此处介绍方案操作简单,但制作较麻烦,可以适当改进。
制作条幅的方法:


